
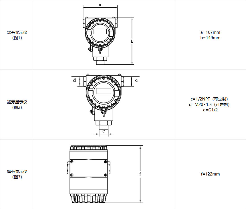
GKYWG-60XⅠ罐旁顯示儀又叫通用現場遠傳變送器顯示儀,是由河北光科測控設備有限公司研制開發出的防爆顯示儀表。通過微處理器為核心高集成度電路,準確的計算出現場液位、溫度、壓力等標準信號的數值并顯示出來,可安裝在現場或者控制室任何區域,方便安裝在現場裝置區高溫、有毒、易燃的工業現場環境,主要用于石油化工、電力、醫藥、消防等行業。
防爆殼體設計可以用于各種工業現場(已經通過國家防爆認證)
安全等級為SIL3、可以用在各種環境
不需要外加電源,接線方便直接串入4~20mA回路即可實現測量
液晶顯示帶綠色背光燈方便在晚上觀看數據
實用范圍:磁致伸縮液位計、雷達液位計、溫度變送器、壓力變送器、氣體報警器等模擬量標準信號的儀表






上一篇:沒有了!
下一篇:GKYWG-60XⅡ罐旁顯示儀